Home » Свободная энергия » Песочница » Главная  Доставка  Контакты  О нас    
Что в банке у Капанадзе
Что в банке у Капанадзе

Что в банке у Капанадзе

БТГ банка Капанадзе
БТГ банка Капанадзе
БТГ банка Капанадзе


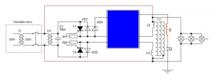
Генератор свободной энергии Тариэля Капанадзе с банкой - это самый простой из его БТГ. Можно сказать наипростейший, в конструктиве нет ничего лишнего. В генераторе нет преобразователей и инверторов, нет ни одного транзистора. Но он работает, вопреки мнению полуразумных академиков от физики и просто верующих в незыблемость закона сохранения энергии.

Вопрос, что гениальный изобретатель современности скрыл в банке обсуждается в сети с тех пор как появилось видео, и этот вопрос до сих пор не решен. Хотите знать? Если вы зашли на наш сайт, значит хотите.

Во-первых, банка заполнена маслом, о чем многие уже догадались хотя и трудно. Также Капанадзе сказал что "в банке источник высокого напряжения и кое что еще". Что там упрятано от халявщиков и для чего оно, вы можете узнать за символическую плату.

Капанадзе свой секрет не раскроет никогда. Хотя бы потому, что он не может этого сделать по причине непонимания как работают его генераторы. Он нащупал метод интуитивно и проверил его на десятках конструкций. Но у Капанадзе врожденная чувствительность к тесловскому радианту, а у вас её нет. Повторить генератор вы сможете только осмысленно. Или не сможете, ибо мыслить дано не всем. Но попробовать можно.


2 + 7 =
отзывы
Эльдар
Какую мощность дает эта схема?
отзывы
Админ
У Капанадзе давала 5 КВт. Сколько может дать максимально, сказать сложно. Здесь только пробовать
отзывы
Гость
Насколько безопасен этот БТГ для здоровья и стабилен ли он в работе, кроме того - нужен ли дорогой осциллограф для его наладки/запуска?
отзывы
Админ
Стабилен и безопасен, если поместить в экран. Можно обойтись простым не дорогим осциллографом.
Разоблачение генератора КапанадзеРазоблачение генератора Капанадзе

СВОБОДНАЯ ЭНЕРГИЯ+
Оригинальные конструкции. Купить готовое устройство или сделать своими руками